
A GOOD SOFTWARE 极简办公
我们专注于纺织印染领域10年,潜心开发了全程二维码,手机电脑同步采集数据,随时随地一键追溯进度,客户自助查询订单等,帮助您更加智能化的管理公司所有流程,一步到位。
一
First
业务流程,功能概述
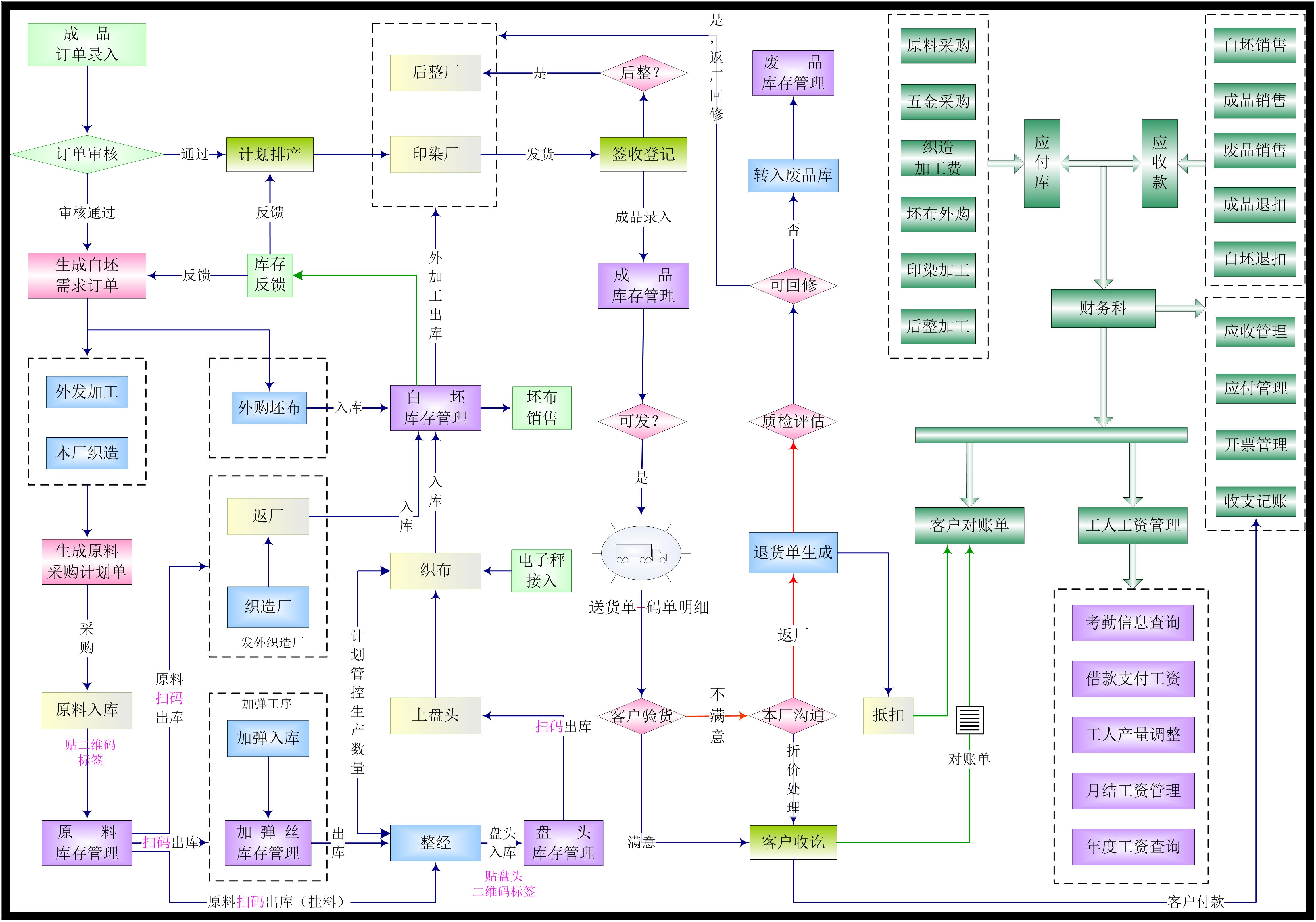
业务员接到成品订单,经审核通过后,开始成品订单录入。
02 坯布需求:
人员根据成品订单数量确定所需坯布数量,再结合现有坯布库存,生成所需织造订单。 ①外购:织造订单需要外购坯布的,要安排外购计划单,外购回来,入到本厂白坯库。
②织造:织造订单需要自己采购原料进行加工的,要根据所需坯布数量,生成原料采购计划单,进行原料采购。
03 原料入库:
采购或客户来料入库后,打印二维码,张贴在每架或每箱原料上,记录原料采购品名规格、批号、只数、重量、等级、单价、供货商等信息。
04 原料外发:
原料外发织造厂加工的,在收到坯布或坯布直接发货前,先进行坯布入库操作,系统根据入库数量和加工单价生成织造应付款、统计发料及坯布发回情况。
05 本厂织造:
如果需要本厂织布的,原料可以根据生产需要,直接出库到整经车间或是加弹车间。
06 织造:
生产单下达到车间后,车间根据生产单来进行领料和生产。 ①挂料:根据订单扫码挂料,防止挂错料,实现原料出库,同时也能知道每次来的原料用在了哪个订单上面(实现从原料到成品的全程溯源)。
②整经:整出的盘头粘贴二维码标签,实现盘入库。
③上盘头:盘头扫码出库,防止上错盘头,同时实现盘头出库,及时了解现场盘头库存情况。
④计时器:可以实时记录织机开机情况,查看织机实时状态,哪台机当前在干什么、做的什么品种规格、挡车是谁、开/停机-上盘头-修机-断纱次数及用时情况、下了几匹布、每匹布的长度重量等。
⑤坯布入库:电子秤和ERP电脑相连,重量自动进入电脑,自动打印坯布标签。
07 成品加工:
计划人员根据坯布的生产情况,将成品订单排产到相应的染厂,并打印外加工计划单,白坯库管人员根据计划单,进行坯布发货操作(外购或外加工坯布即使没有回到本厂,也要进行白坯入库操作,以便跟织造厂进行对账),白坯发货单填写订单编号,用于记录每个成品订单的投坯数量,如果染厂可以提供每个颜色的投坯数量,这样可以将成品订单不同颜色的投坯数量填写在相应的订单里面,这样根据成品的投坯数和成品数,就可以知道每个颜色的损耗情况。
08 成品发回
染厂加工完毕后发回本厂,本厂成品库人员要进行签收操作,对不同订单颜色要对号入座,录入到不同的成品订单下,成品订单里面即可显示成品来货数量。签收单也可输入加工费、运费、中样费等费用,以便跟染厂进行对账。如果需要外发进行喷花刷花等后处理操作的,那么要对收到的成品进行出库操作,后整厂加工完毕后发货,收到货后要再次进行签收操作,签收可填写加工单价,数量、以及特殊工艺等信息,用于跟后整厂进行对账。
09 成品发货
之后,根据实际需要进行成品发货操作,成品发货可直接调用要发货的成品码单,发货单价来源于成品订单,同时设定好其他加收费用后,系统生成客户应收款。客户收到货之后,如果发现质量问题,经过双方协商,需要退货的要生成退货单,退货单会自动冲抵之前的货款。退货成品经过评估检验,可以回修的,发往染厂或后整厂进行回修,如果回修需要费用,则要在回修布签收界面填写回修加工费。经过检测无法进行回修的成品直接转入废品库,进行废品销售。
10 财务账款
财务部可对客户及供货商的应收款、应付款、收支记账、开票信息,以及织造工人工资进行管理,同时支持原料厂、织造厂、印染厂、后整厂、客户的对账单生成及打印,便于快速跟客户进行对账。 ERP涵盖了生产的方方面面,从成品订单到原料采购到坯布生产,发外加工,再到财务管理,通过这一系列的流程,领导可以快速掌握成品订单的整个流程,不仅提高效率,提高数据的准确性,更降低了对人员的依赖,也为生产管理提供了强大的数据保证,为企业的长远发展奠定了坚实的基础。
二
Second
系统流程图

ERP带给我们便捷
简洁办公,完善管理,数据完美呈现。
